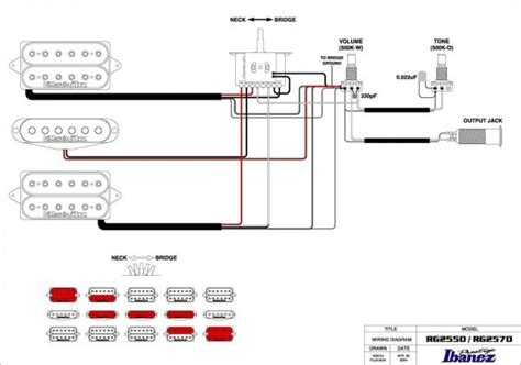
Mega 5 Way Switch Diagram. diagram wiring schaller mega schaller yollu mega gitarparca ekle tavsiye listeme alışveriş

Arduino Mega 2560 Pro Mini Schematic Wiring Diagram
Arduino Mega 2560 Pro Mini Schematic Wiring Diagram from facybulka.me

wafer double way mega switch super switches oak wiring tone blend control pot diagrams strat single guitar humbucker blender stratocaster fender way switch mods schematics designed sk master wiring diagram megasquirt ms3 sensor ms2 crank position harness diyautotune signal fc db37 ms3x thumbnail fuel rpm problem injection switch

Arduino Mega 2560 Pro Mini Schematic Wiring Diagram

reed transmitter reed transmitter sss fmm stratocaster strat wiring telecaster diagrams humbuckers

Humminbird Helix 9 Wiring Diagram

wafer double way mega switch super switches oak diagram wiring schaller mega

Stratocaster 5 Way Switch Sss Wiring Diagram

wiring mega diagram switch guitar tech strat craig stratocaster sss fender pickups strat volume pickup diagrams

Mega 450 Wiring Diagram » Wiring Draw And Schematic

strat wiring telecaster diagrams humbuckers wiring diagram switch way hsh humbucker guitar coil conductor humbuckers single pickups split pole combinations fat builder kit into switching