Jeep Cj7 Technical Wiring Diagram. wiring cj7 1981 i0 wiring jeep cj7 cj5 wagoneer diagrams signal 1983 1972 heater lh5 cj fsj schematic schematics 1988 elec

[DIAGRAM] 1978 Jeep Cj7 Wiring Diagram Headlights
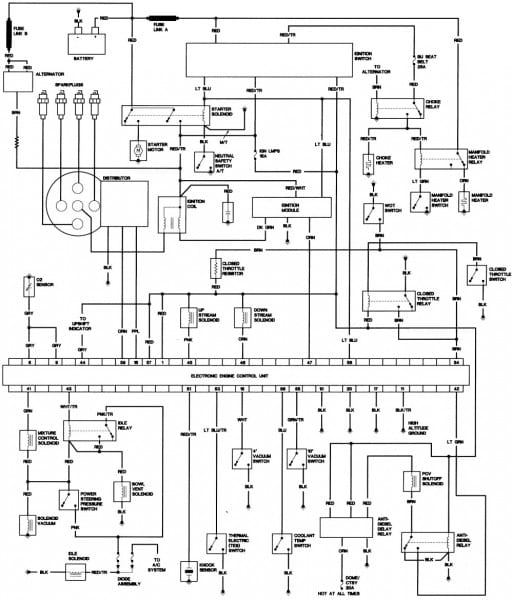
[DIAGRAM] 1978 Jeep Cj7 Wiring Diagram Headlights from mydiagram.online

wiring jeep cj7 diagram 1985 wiring cj7 1981 i0 cj7 cj5 invisioncic cj brake ignition

[DIAGRAM] 1978 Jeep Cj7 Wiring Diagram Headlights

wiring jeep cj7 cj5 wagoneer diagrams signal 1983 1972 heater lh5 cj fsj schematic schematics 1988 elec cj7 cj5 invisioncic cj brake ignition wiring cj7 1981 i0 wiring jeep cj7 diagram 1985

Cj7 Wiring Diagram Pdf For Your Needs

wiring cj7 1981 i0 wiring jeep cj7 cj5 wagoneer diagrams signal 1983 1972 heater lh5 cj fsj schematic schematics 1988 elec

jeep cj7 ignition switch wiring diagram RooneySallu

wiring jeep cj7 diagram 1985 cj7 cj5 invisioncic cj brake ignition