Bomag Bw 211 3 Single Drum Vibratory Roller Hydraulic Schematics And Circuit Diagrams.

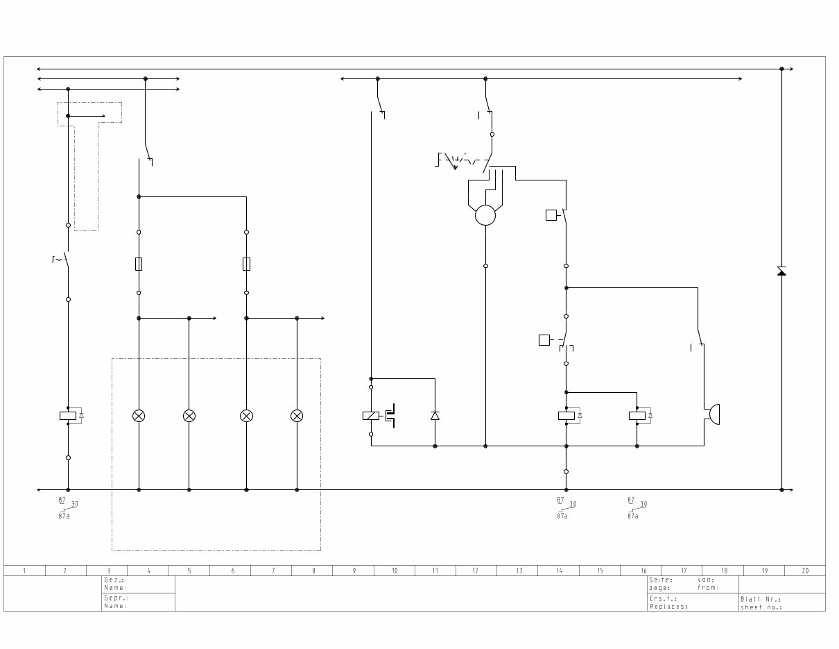
BOMAG BW 2113 Single Drum Vibratory Roller Hydraulic Schematics and
BOMAG BW 2113 Single Drum Vibratory Roller Hydraulic Schematics and from www.emanualonline.com

BOMAG BW 2113 Single Drum Vibratory Roller Hydraulic Schematics and